产品中心
-
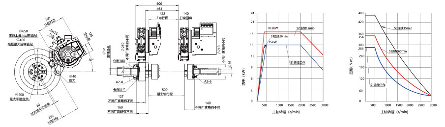
床身上最大回转直径Φ650mm
-
拖板上最大回转直径Φ400mm
-
最大加工长度350mm(因配置不同而改变)
-
夹紧方式液压
-
X/Z最大行程250/420mm
-
X/Z快移速度24/24m/min
-
X/Z进给电机扭矩20/20N.m
-
X/Z单项重复定位精度0.004/0.005mm
-
主轴卡盘尺寸10寸
-
主轴最高转速3000r/min(因配置不同而改变)
-
主轴 主轴头部形式A₂-8
-
主轴 主轴通孔直径Φ92mm
-
副主轴卡盘尺寸8寸
-
副主轴最高转速4000r/min(因配置不同而改变)
-
副主轴 主轴头部形式A₂-6
-
副主轴 主轴通孔直径Φ56mm
-
刀架形式12T-125动力刀塔
-
外圆刀方尺寸25×25mm
-
镗孔刀架直径Φ40mm
-
动力刀驱动电机功率4.5kW(因配置不同而改变)
-
动力刀驱动电机扭矩18N.m(因配置不同而改变)
-
用电总容量51KVA(因配置不同而改变)
-
机床外形尺寸4100×2090×1920mm(因配置不同而改变)
-
机床重量5750kg
