产品中心
-
卡盘尺寸筒夹;6寸卡盘(选配项)
-
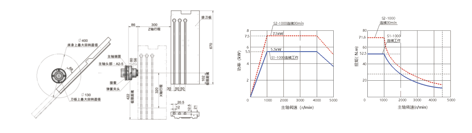
床身上最大回转直径Φ400mm
-
拖板上最大回转直径Φ135mm
-
最大车削直径盘类Φ350mm
-
X/Z最大行程320/300mm
-
最大通过棒料直径Φ35mm
-
主轴最高转速4500r/min(因配置不同而改变)
-
主轴头形式A₂-5
-
主轴电机功率5.5kW
-
夹紧方式液压
-
X/Z快速移动速度18/20m/min
-
X/Z进给电机扭矩6/6N.m
-
刀架形式排刀
-
外圆刀方尺寸20×20mm
-
镗孔刀架直径Φ20.Φ25mm各一只
-
X/Z单项重复定位精度0.006/0.006mm
-
尾座形式/
-
尾座套筒直径/
-
套筒行程/
-
尾座套筒锥度/
-
冷却泵功率210W
-
用电总容量11KVA(因配置不同而改变)
-
机床外形尺寸1780×1490×1850mm
-
机床重量1630kg
